안녕하세요.
오늘은 고력볼트 설계전단강도, 마찰접합, 지압접합에 대해 정리해 보려 합니다.
볼트 전단접합시 파괴형태는 판이 미끄러지거나, 판이 찢어지거나, 볼트가 전단력에 의해 잘려나간다고 생각하시면 됩니다.
1. 마찰접합 vs 지압접합 (전단력이 작용할 때)
기둥-보 접합부처럼 부재가 서로 미끄러지려는 힘, 즉 전단력(Shear Force)을 받을 때는 크게 두 가지 방식으로 저항합니다.
① 마찰접합 (Friction Type)
- 원리: 볼트를 강하게 조여서(도입축력) 판과 판 사이에 생기는 '마찰력'으로 버팁니다.
- 특징: 하중이 작용해도 미끄러짐(Slip)이 발생하지 않습니다. 구조물의 처짐이나 변형을 막기 위해 실무에서 가장 선호하는 방식입니다.
② 지압접합 (Bearing Type)
- 원리: 마찰력을 무시하거나 초과했을 때, 볼트 몸통이 구멍 벽에 닿아 '지압'과 '전단'으로 버팁니다.
- 특징: 구멍과 볼트 사이의 유격만큼 미끄러짐(Slip)이 발생한 후 저항력이 생깁니다.
[한눈에 보는 비교]

2. 인장접합
공부할 때 오해하기 쉬운 부분이 있습니다.
보통 "현장에서는 마찰접합을 주로 쓴다"고 하는데, 이는 전단 접합(Shear Connection)일 때의 이야기입니다.
만약 볼트 방향으로 잡아당기는 인장력(Tension)이 작용한다면 어떻게 될까요?
(예: 엔드플레이트 접합, 행거 등)
- 인장 접합에서는 '마찰' 개념이 성립하지 않습니다.
판이 서로 떨어지려고 하므로 마찰면이 의미가 없어집니다. 이때는 볼트 자체가 늘어나면서 버티는 인장강도로 설계해야 합니다. - 복합력(전단+인장)이 걸린다면?
인장력이 볼트가 누르는 힘(축력)을 까먹기 때문에, 마찰력도 줄어듭니다.
설계 기준(KDS)에서는 이를 고려해 마찰 내력을 낮춰서 검토해야 합니다.
3. 실전 기출 예제로 감 잡기
KDS 14 31 25 기준을 적용한 계산 과정을 보면 원리 차이가 더 확실히 느껴지실 거예요.
예제 1. 마찰접합
(단, 표준구멍 사용, 설계볼트장력 $T_0 = 200kN$, 미끄럼계수 $\mu = 0.50$, 저항계수 $\phi = 1.0$ 가정)
[풀이]
마찰접합은 "얼마나 꽉 조였나($T_0$) x 표면이 얼마나 거친가($\mu$)"가 핵심입니다. 표준구멍일 경우 저항계수 1.0을 사용합니다.
$$\phi R_n = \phi \times \mu \times T_0 \times N_s$$
- 미끄럼계수 ($\mu$): 0.50 (블라스트 처리된 표면 적용)
- 볼트장력 ($T_0$): 200kN
- 전단면 수 ($N_s$): '2면 전단'이므로 $\times 2$
$$계산: 1.0 \times 0.50 \times 200kN \times 2 = \mathbf{200kN}$$

예제 2. 볼트의 설계전단강도
(단, F10T 인장강도 $F_u = 1,000MPa$, 나사부 전단면 불포함 조건, 단면적 $A_b = 314mm^2$, 저항계수 $\phi = 0.75$)
[풀이]
지압접합은 이미 미끄러진 상태입니다. 이때 볼트의 전단강도는 KDS 14 31 25 [표 4.1-1]에 따른 공칭강도 값을 따라야 합니다.
$$\phi R_n = \phi \times F_{nv} \times A_b$$
- 공칭전단강도 ($F_{nv}$):
KDS 기준상 F10T 볼트의 나사부가 전단면에 포함되지 않을 경우(Excluded), 500MPa를 적용합니다.
(※ 참고: 나사부가 포함될 경우엔 400MPa) - 내력 계산: $$500N/mm^2 \times 314mm^2 = 157,000N = 157.0kN$$
- 저항계수 적용: $$\phi R_n = 157.0kN \times 0.75 = \mathbf{117.8kN}$$
예제 3. 지압접합 (가장 헷갈리는 부분!)
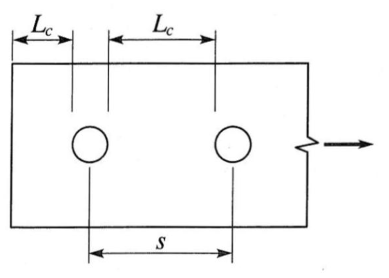
(단, 강판 $F_u = 410MPa$, 순거리 $L_c = 40mm$, 저항계수 $\phi = 0.75$ 가정)
[풀이]
지압강도 공식($R_n$)에서 변수를 대입할 때 주의해야 합니다.
- $L_c$ (순거리): 구멍 끝에서 철판 끝까지의 거리입니다. (문제 조건: 40mm)
- $d$ (볼트 직경): 구멍 크기(22mm)가 아니라 볼트의 호칭 직경(20mm)을 넣어야 합니다.
- 철판이 찢어지는 경우 (Tear-out):
$$1.2 \times L_c \times t \times F_u = 1.2 \times \mathbf{40} \times 10 \times 410 = 196.8kN$$ - 구멍이 찌그러지는 경우 (Bearing):
$$2.4 \times \mathbf{d} \times t \times F_u = 2.4 \times \mathbf{20} \times 10 \times 410 = 196.8kN$$
결정 및 저항계수 적용:
두 값이 동일하므로, 설계강도는:
$$196.8kN \times 0.75 = \mathbf{147.6kN}$$


※ 만약 $L_c$가 더 작았다면 Tear-out 값이 작아져서 그 값이 지배했을 것입니다.
'건축직 공기업 필기 기출 > 이론' 카테고리의 다른 글
| (구)건설기준 / 건축구조기준, 2005 / 건축구조기준, 2009 등 열람 방법 (0) | 2025.04.19 |
|---|---|
| 강구조, 철골구조에 공칭휨강도 산정에 대해서 (0) | 2025.01.18 |
| 건축구조; 설계하중에서 지진하중에 대하여 (0) | 2024.08.27 |
| 건축구조; 설계하중에서 풍하중에 대하여 (2) | 2024.06.12 |
| 건축구조; 건축구조기준의 변천 및 허용응력설계법, 강도설계법 및 한계상태설계법에 대해서 (0) | 2024.06.04 |